OUR SERVICES
Cooling / Heat Medium Systems Design & Repairs
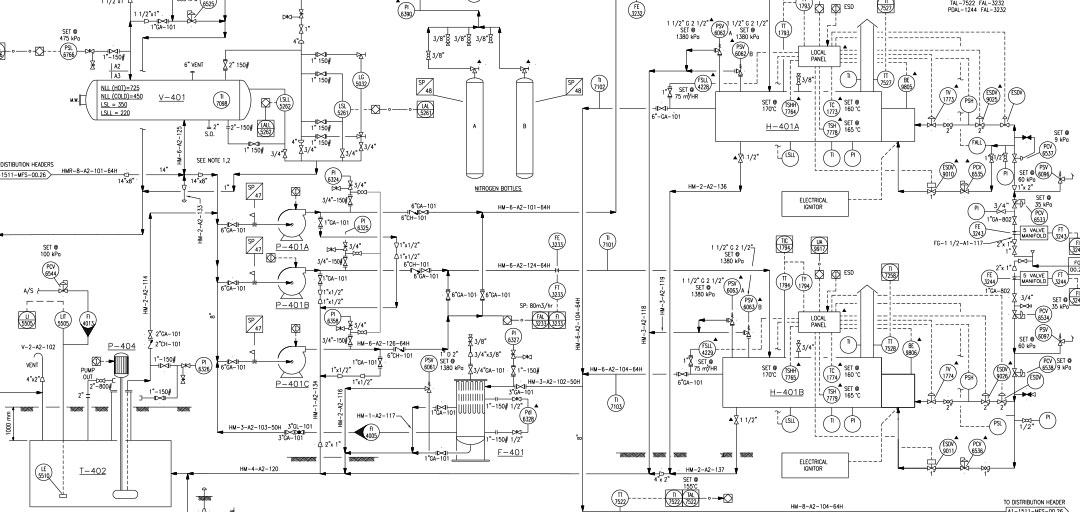
Cooling/Heat Medium Systems Design & Repairs
PCI Engineering designs and maintains efficient thermal transfer systems for industrial facilities.
Our services cover the design, analysis, and improvement of cooling water, glycol, and heat medium systems to ensure stable operation and optimal temperature control.
We evaluate existing systems for efficiency, reliability, and safety, implementing practical upgrades that reduce maintenance effort, improve energy performance, and extend equipment life.
Our designs emphasize reliability, operability, and ease of maintenance.
Services & Capabilities:
- Design of facility heat medium systems **
- Thermal analysis and hydraulic evaluation to ensure stable temperature control
- Debottlenecking and performance assessments
- Retrofit design to improve efficiency and extend system life
- System troubleshooting (flow imbalance, heat transfer inefficiencies, and equipment overheating)
- Specification of pumps, heat exchangers, valves, and related system components
- Development of control strategies for temperature regulation and safe operation
- Field support for startup, commissioning, inspection, and system optimization
- Maintenance planning and improvement strategies to enhance long-term operability and reliability

