OUR SERVICES

Facility Piping Design & Repairs

Facility Piping Design & Repairs

Our team provides complete piping design and engineering services for new installations, retrofits, and repair projects.

We develop ASME code-compliant designs tailored to each facility’s layout, operational requirements, and future expansion needs.

PCI also supports on-site piping repairs and tie-ins, providing engineering verification and as-built documentation to maintain system integrity and compliance. Every solution is engineered for safety, durability, and efficiency.

Services & Capabilities:
  • Engineering design of new piping systems, retrofits, reroutes, and facility tie-ins
  • ASME code-compliant piping layouts, stress analysis, material selection, and specification
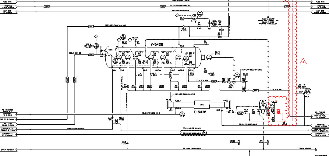
  • Development of isometrics, P&IDs, 3D models, support details, and construction packages
  • Engineering review and verification for on-site piping repairs, hot taps, and modifications
  • Field support for measurements, constructability reviews, and as-built documentation
  • Troubleshooting piping issues related to vibration, corrosion, flow restrictions, and leaks
  • Coordination with mechanical, structural, electrical, and process disciplines for integrated design
  • Solutions focused on safety, long-term durability, operational flexibility, and ease of maintenance